Подшипник PASE50-N (NKE)

Подшипник PASE50-N (NKE)

Технические характеристики

Обозначение : PASE50-N

Производитель : NKE

Диаметр внутренний, мм : 50

Высота, мм : 54

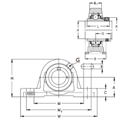
Технические данные из каталога производителя :

Внутренний диаметр (d) - 50 мм.

Размер (O) - 32,7

Размер (A) - 57,2 мм.

Размер (B) - 54 мм.

Размер (B1) - 34 мм.

Размер (C) - 21,5 мм.

Размер (H) - 115 мм.

Размер (K) - 18 мм.

Размер (L) - 43,7

Размер (M) - 153 мм.

Размер (M1) - 163 мм.

Размер (R) - 69 мм.

Размер (W) - 200

Резьба (G) - R1/8“

Масса - 2,47 Кг

Количество дорожек качения - 1

Уплотнение - Есть

Цены указаны ознакомительные, для уточнения цены и наличия просим связаться с нами по телефону, или отправить заявку на почту - sales@specprompodshipnik.ru или по тел.: +7(499) 369-70-54

Возврат к списку