Подшипник PASE20-N (NKE)

Подшипник PASE20-N (NKE)

Технические характеристики

Обозначение : PASE20-N

Производитель : NKE

Диаметр внутренний, мм : 20

Высота, мм : 32

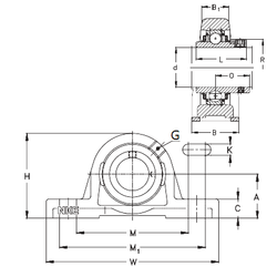
Технические данные из каталога производителя :

Внутренний диаметр (d) - 20 мм.

Размер (O) - 23,5

Размер (A) - 33,3 мм.

Размер (B) - 32 мм.

Размер (B1) - 19 мм.

Размер (C) - 14,5 мм.

Размер (H) - 64 мм.

Размер (K) - 11 мм.

Размер (L) - 31

Размер (M) - 89,5 мм.

Размер (M1) - 105 мм.

Размер (R) - 33 мм.

Размер (W) - 130

Резьба (G) - R1/8“

Масса - 0,55 Кг

Количество дорожек качения - 1

Уплотнение - Есть

Цены указаны ознакомительные, для уточнения цены и наличия просим связаться с нами по телефону, или отправить заявку на почту - sales@specprompodshipnik.ru или по тел.: +7(499) 369-70-54

Возврат к списку