Подшипник PASE1-3/16 (INA)

Подшипник PASE1-3/16 (INA)

Технические характеристики

Обозначение : PASE1-3/16

Производитель : INA

Диаметр внутренний, мм : 30,163

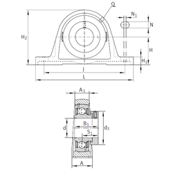
Технические данные из каталога производителя :

Внутренний диаметр (d) - 30,163 мм.

Размер (S1) - 26,797

Резьба (Q) - 1/8 NPT

Размер (d3) - 43,993 мм.

Размер (A) - 42,495 мм.

Размер (A1) - 27,001 мм.

Размер (B) - 35,789 мм.

Размер (H) - 42,901 мм.

Размер (H1) - 18,009 мм.

Размер (H2) - 83,389 мм.

Размер (J) - 117,501 мм.

Размер (L) - 157,2

Размер (N) - 15,012 мм.

Размер (N1) - 9,5 мм.

Масса - 1,23 Кг

Количество дорожек качения - 1

Уплотнение - Есть

Цены указаны ознакомительные, для уточнения цены и наличия просим связаться с нами по телефону, или отправить заявку на почту - sales@specprompodshipnik.ru или по тел.: +7(499) 369-70-54

Возврат к списку