Подшипник PAKY1 (INA)

Технические характеристики

Обозначение : PAKY1

Производитель : INA

Диаметр внутренний, мм : 25,4

Технические данные из каталога производителя :

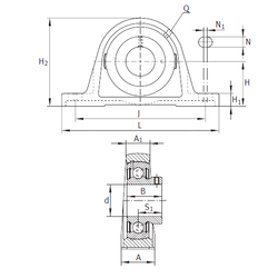
Внутренний диаметр (d) - 25,4 мм.

Размер (S1) - 19,508

Резьба (Q) - 1/8 NPT

Размер (A) - 37,008 мм.

Размер (A1) - 21,997 мм.

Размер (B) - 27,001 мм.

Размер (H) - 33,351 мм.

Размер (H1) - 14,301 мм.

Размер (H2) - 68,276 мм.

Размер (J) - 103,759 мм.

Размер (L) - 139,7

Размер (N) - 11,989 мм.

Размер (N1) - 9,246 мм.

Масса - 0,699 Кг

Количество дорожек качения - 1

Уплотнение - Есть

Цены указаны ознакомительные, для уточнения цены и наличия просим связаться с нами по телефону, или отправить заявку на почту - sales@specprompodshipnik.ru или по тел.: +7(499) 369-70-54

Возврат к списку