Подшипник PAKY1/2 (INA)

Подшипник PAKY1/2 (INA)

Технические характеристики

Обозначение : PAKY1/2

Производитель : INA

Диаметр внутренний, мм : 12,7

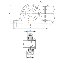
Технические данные из каталога производителя :

Внутренний диаметр (d) - 12,7 мм.

Размер (S1) - 16,002

Резьба (Q) - 1/4-28 UNF

Размер (A) - 32,004 мм.

Размер (A1) - 19 мм.

Размер (B) - 21,997 мм.

Размер (H) - 27,001 мм.

Размер (H1) - 10,795 мм.

Размер (H2) - 54,788 мм.

Размер (J) - 91,999 мм.

Размер (L) - 124,994

Размер (N) - 10,999 мм.

Размер (N1) - 10,999 мм.

Масса - 0,454 Кг

Количество дорожек качения - 1

Уплотнение - Есть

Цены указаны ознакомительные, для уточнения цены и наличия просим связаться с нами по телефону, или отправить заявку на почту - sales@specprompodshipnik.ru или по тел.: +7(499) 369-70-54

Возврат к списку