Подшипник PAK1-3/4 (INA)

Подшипник PAK1-3/4 (INA)

Технические характеристики

Обозначение : PAK1-3/4

Производитель : INA

Диаметр внутренний, мм : 44,45

Технические данные из каталога производителя :

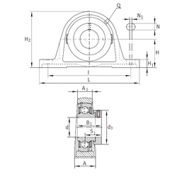
Внутренний диаметр (d) - 44,45 мм.

Размер (S1) - 32,792

Резьба (Q) - 1/8 NPT

Размер (d3) - 62,992 мм.

Размер (A) - 51,512 мм.

Размер (A1) - 35,002 мм.

Размер (B) - 43,79 мм.

Размер (H) - 52,401 мм.

Размер (H1) - 20,397 мм.

Размер (H2) - 105,41 мм.

Размер (J) - 148,489 мм.

Размер (L) - 194,996

Размер (N) - 14,301 мм.

Размер (N1) - 11,989 мм.

Масса - 2,309 Кг

Количество дорожек качения - 1

Уплотнение - Есть

Цены указаны ознакомительные, для уточнения цены и наличия просим связаться с нами по телефону, или отправить заявку на почту - sales@specprompodshipnik.ru или по тел.: +7(499) 369-70-54

Возврат к списку