Подшипник NANF212-36 (KOYO)

Подшипник NANF212-36 (KOYO)

Технические характеристики

Обозначение : NANF212-36

Производитель : KOYO

Диаметр внутренний, мм : 57,15

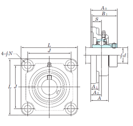
Технические данные из каталога производителя :

Внутренний диаметр (d) - 57,15 мм.

Размер (A0) - 82,8

Размер (A) - 55 мм.

Размер (A1) - 21 мм.

Размер (B1) - 77,8 мм.

Размер (J) - 143 мм.

Размер (L) - 175

Размер (N) - 17 мм.

Размер (S) - 31 мм.

Болт (G) - 19,05

Размер (A2) - 36

Масса - 4,9 Кг

Грузоподъемность динамическая (C) - 52,4 кН

Грузоподъемность статическая (C0) - 36,2 кН

Расчетный коэффициент (f0) - 14,4

Количество дорожек качения - 1

Уплотнение - Есть

Цены указаны ознакомительные, для уточнения цены и наличия просим связаться с нами по телефону, или отправить заявку на почту - sales@specprompodshipnik.ru или по тел.: +7(499) 369-70-54

Возврат к списку