Подшипник NANF211-34 (KOYO)

Подшипник NANF211-34 (KOYO)

Технические характеристики

Обозначение : NANF211-34

Производитель : KOYO

Диаметр внутренний, мм : 53,975

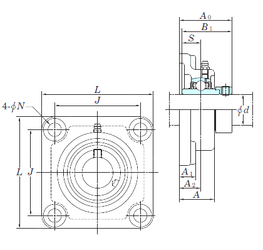
Технические данные из каталога производителя :

Внутренний диаметр (d) - 53,975 мм.

Размер (A0) - 75,6

Размер (A) - 50 мм.

Размер (A1) - 21 мм.

Размер (B1) - 71,4 мм.

Размер (J) - 130 мм.

Размер (L) - 162

Размер (N) - 17 мм.

Размер (S) - 27,8 мм.

Болт (G) - 19,05

Размер (A2) - 32

Масса - 4,1 Кг

Грузоподъемность динамическая (C) - 43,4 кН

Грузоподъемность статическая (C0) - 29,4 кН

Расчетный коэффициент (f0) - 14,4

Количество дорожек качения - 1

Уплотнение - Есть

Цены указаны ознакомительные, для уточнения цены и наличия просим связаться с нами по телефону, или отправить заявку на почту - sales@specprompodshipnik.ru или по тел.: +7(499) 369-70-54

Возврат к списку