Подшипник NANF210 (KOYO)

Подшипник NANF210 (KOYO)

Технические характеристики

Обозначение : NANF210

Производитель : KOYO

Диаметр внутренний, мм : 50

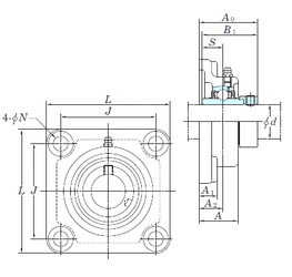
Технические данные из каталога производителя :

Внутренний диаметр (d) - 50 мм.

Размер (A0) - 66,6

Размер (A) - 46,5 мм.

Размер (A1) - 20 мм.

Размер (B1) - 62,7 мм.

Размер (J) - 111 мм.

Размер (L) - 143

Размер (N) - 16 мм.

Размер (S) - 24,6 мм.

Болт (G) - 14,288

Размер (A2) - 28,5

Масса - 3 Кг

Грузоподъемность динамическая (C) - 35,1 кН

Грузоподъемность статическая (C0) - 23,3 кН

Расчетный коэффициент (f0) - 14,4

Количество дорожек качения - 1

Уплотнение - Есть

Цены указаны ознакомительные, для уточнения цены и наличия просим связаться с нами по телефону, или отправить заявку на почту - sales@specprompodshipnik.ru или по тел.: +7(499) 369-70-54

Возврат к списку