Подшипник NANF208-24 (KOYO)

Подшипник NANF208-24 (KOYO)

Технические характеристики

Обозначение : NANF208-24

Производитель : KOYO

Диаметр внутренний, мм : 38,1

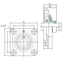
Технические данные из каталога производителя :

Внутренний диаметр (d) - 38,1 мм.

Размер (A0) - 58,9

Размер (A) - 39 мм.

Размер (A1) - 17 мм.

Размер (B1) - 56,3 мм.

Размер (J) - 102 мм.

Размер (L) - 130

Размер (N) - 14 мм.

Размер (S) - 21,4 мм.

Болт (G) - 12,7

Размер (A2) - 24

Масса - 2,2 Кг

Грузоподъемность динамическая (C) - 29,1 кН

Грузоподъемность статическая (C0) - 17,8 кН

Расчетный коэффициент (f0) - 14

Количество дорожек качения - 1

Уплотнение - Есть

Цены указаны ознакомительные, для уточнения цены и наличия просим связаться с нами по телефону, или отправить заявку на почту - sales@specprompodshipnik.ru или по тел.: +7(499) 369-70-54

Возврат к списку