Подшипник NANF207 (KOYO)

Подшипник NANF207 (KOYO)

Технические характеристики

Обозначение : NANF207

Производитель : KOYO

Диаметр внутренний, мм : 35

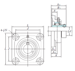
Технические данные из каталога производителя :

Внутренний диаметр (d) - 35 мм.

Размер (A0) - 53,8

Размер (A) - 36,5 мм.

Размер (A1) - 17 мм.

Размер (B1) - 51,1 мм.

Размер (J) - 92 мм.

Размер (L) - 117

Размер (N) - 13 мм.

Размер (S) - 18,8 мм.

Болт (G) - 11,113

Размер (A2) - 21,5

Масса - 1,8 Кг

Грузоподъемность динамическая (C) - 25,7 кН

Грузоподъемность статическая (C0) - 15,4 кН

Расчетный коэффициент (f0) - 13,9

Количество дорожек качения - 1

Уплотнение - Есть

Цены указаны ознакомительные, для уточнения цены и наличия просим связаться с нами по телефону, или отправить заявку на почту - sales@specprompodshipnik.ru или по тел.: +7(499) 369-70-54

Возврат к списку