Подшипник NANF206-19 (KOYO)

Подшипник NANF206-19 (KOYO)

Технические характеристики

Обозначение : NANF206-19

Производитель : KOYO

Диаметр внутренний, мм : 30,1625

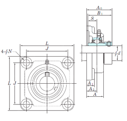
Технические данные из каталога производителя :

Внутренний диаметр (d) - 30,1625 мм.

Размер (A0) - 51,1

Размер (A) - 34 мм.

Размер (A1) - 16 мм.

Размер (B1) - 48,4 мм.

Размер (J) - 83 мм.

Размер (L) - 108

Размер (N) - 13 мм.

Размер (S) - 18,3 мм.

Болт (G) - 11,113

Размер (A2) - 21

Масса - 1,4 Кг

Грузоподъемность динамическая (C) - 19,5 кН

Грузоподъемность статическая (C0) - 11,3 кН

Расчетный коэффициент (f0) - 13,9

Количество дорожек качения - 1

Уплотнение - Есть

Цены указаны ознакомительные, для уточнения цены и наличия просим связаться с нами по телефону, или отправить заявку на почту - sales@specprompodshipnik.ru или по тел.: +7(499) 369-70-54

Возврат к списку