Подшипник NANF202 (KOYO)

Подшипник NANF202 (KOYO)

Технические характеристики

Обозначение : NANF202

Производитель : KOYO

Диаметр внутренний, мм : 15

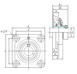
Технические данные из каталога производителя :

Внутренний диаметр (d) - 15 мм.

Размер (A0) - 45,6

Размер (A) - 29,5 мм.

Размер (A1) - 15 мм.

Размер (B1) - 43,7 мм.

Размер (J) - 64 мм.

Размер (L) - 86

Размер (N) - 11 мм.

Размер (S) - 17,1 мм.

Болт (G) - 9,525

Размер (A2) - 19

Масса - 0,73 Кг

Грузоподъемность динамическая (C) - 12,8 кН

Грузоподъемность статическая (C0) - 6,65 кН

Расчетный коэффициент (f0) - 13,2

Количество дорожек качения - 1

Уплотнение - Есть

Цены указаны ознакомительные, для уточнения цены и наличия просим связаться с нами по телефону, или отправить заявку на почту - sales@specprompodshipnik.ru или по тел.: +7(499) 369-70-54

Возврат к списку