Подшипник MUCFL207 (NACHI)

Подшипник MUCFL207 (NACHI)

Технические характеристики

Обозначение : MUCFL207

Производитель : NACHI

Диаметр внутренний, мм : 35

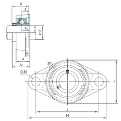
Технические данные из каталога производителя :

Внутренний диаметр (d) - 35 мм.

Размер (A0) - 44.4

Размер (A) - 34 мм.

Размер (A1) - 11 мм.

Размер (B) - 42.9 мм.

Размер (H) - 161 мм.

Размер (J) - 130 мм.

Размер (L) - 90

Размер (N) - 16 мм.

Размер (S) - 17.5 мм.

Болт (G) - M14

Размер (A2) - 19

Масса - 1.05 Кг

Количество дорожек качения - 1

Уплотнение - Есть

Цены указаны ознакомительные, для уточнения цены и наличия просим связаться с нами по телефону, или отправить заявку на почту - sales@specprompodshipnik.ru или по тел.: +7(499) 369-70-54

Возврат к списку