Подшипник LCJT35-N (INA)

Подшипник LCJT35-N (INA)

Технические характеристики

Обозначение : LCJT35-N

Производитель : INA

Диаметр внутренний, мм : 35

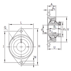
Технические данные из каталога производителя :

Внутренний диаметр (d) - 35 мм.

Размер (V) - 92

Размер (U) - 53,5

Резьба (Q) - Rp1/8

Размер (d3) - 51 мм.

Размер (A) - 30,5 мм.

Размер (A1) - 12,5 мм.

Размер (B1) - 51,3 мм.

Размер (H) - 155 мм.

Размер (J) - 130 мм.

Размер (L) - 92

Размер (N) - 14 мм.

Размер (A2) - 21

Масса - 1,22 Кг

Грузоподъемность динамическая (C) - 25,5 кН

Грузоподъемность статическая (C0) - 15,3 кН

Количество дорожек качения - 1

Уплотнение - Есть

Цены указаны ознакомительные, для уточнения цены и наличия просим связаться с нами по телефону, или отправить заявку на почту - sales@specprompodshipnik.ru или по тел.: +7(499) 369-70-54

Возврат к списку