Подшипник KSR25-L0-20-10-13-15 (INA)

Подшипник KSR25-L0-20-10-13-15 (INA)

Технические характеристики

Обозначение : KSR25-L0-20-10-13-15

Размеры, мм : 25x52x21

Производитель : INA

Диаметр внутренний, мм : 25

Диаметр наружный, мм : 52

Высота, мм : 21

Технические данные из каталога производителя :

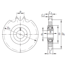
Внутренний диаметр (d) - 25 мм.

Наружный диаметр (D) - 52 мм.

Ширина (высота) (B) - 21 мм.

Число зубьев - 13

Размер (Do) - 132,7

Размер (Dk) - 144

Размер (C) - 15 мм.

Размер (C1) - 17,6 мм.

Размер (C2) - 2,5

Масса - 1,6 Кг

1 - DIN 8187

2 - DIN 8188

Шаг зубьев звездочки - 31,75

Количество дорожек качения - 1

Уплотнение - Есть

Цены указаны ознакомительные, для уточнения цены и наличия просим связаться с нами по телефону, или отправить заявку на почту - sales@specprompodshipnik.ru или по тел.: +7(499) 369-70-54

Возврат к списку