Подшипник KSR25-B0-08-10-19-08 (INA)

Подшипник KSR25-B0-08-10-19-08 (INA)

Технические характеристики

Обозначение : KSR25-B0-08-10-19-08

Производитель : INA

Диаметр внутренний, мм : 25

Технические данные из каталога производителя :

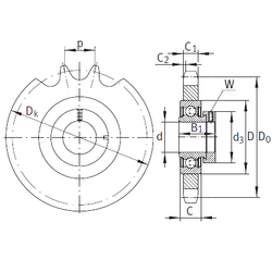
Внутренний диаметр (d) - 25 мм.

Число зубьев - 19

Размер (Do) - 77,1

Размер (Dk) - 82,5

Размер (d3) - 37,3 мм.

Размер (B1) - 31 мм.

Размер (C) - 15 мм.

Размер (C1) - 7 мм.

Размер (D) - 52 мм.

Размер (W) - 3

Размер (C2) - 1,1

Масса - 0,29 Кг

1 - DIN 8187

2 - DIN 8188

Шаг зубьев звездочки - 12,7

Количество дорожек качения - 1

Уплотнение - Есть

Цены указаны ознакомительные, для уточнения цены и наличия просим связаться с нами по телефону, или отправить заявку на почту - sales@specprompodshipnik.ru или по тел.: +7(499) 369-70-54

Возврат к списку