Подшипник KSR20-B0-16-10-10-15 (INA)

Подшипник KSR20-B0-16-10-10-15 (INA)

Технические характеристики

Обозначение : KSR20-B0-16-10-10-15

Производитель : INA

Диаметр внутренний, мм : 20

Технические данные из каталога производителя :

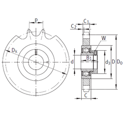
Внутренний диаметр (d) - 20 мм.

Число зубьев - 10

Размер (Do) - 82,3

Размер (Dk) - 89,4

Размер (d3) - 33 мм.

Размер (B1) - 31 мм.

Размер (C) - 14 мм.

Размер (C1) - 15,3 мм.

Размер (D) - 47 мм.

Размер (W) - 3

Размер (C2) - 2

Масса - 0,5 Кг

1 - DIN 8187

Шаг зубьев звездочки - 25,4

Количество дорожек качения - 1

Уплотнение - Есть

Цены указаны ознакомительные, для уточнения цены и наличия просим связаться с нами по телефону, или отправить заявку на почту - sales@specprompodshipnik.ru или по тел.: +7(499) 369-70-54

Возврат к списку