Подшипник KSR16-L0-12-10-15-09 (INA)

Подшипник KSR16-L0-12-10-15-09 (INA)

Технические характеристики

Обозначение : KSR16-L0-12-10-15-09

Размеры, мм : 16.2x40x18.3

Производитель : INA

Диаметр внутренний, мм : 16,2

Диаметр наружный, мм : 40

Высота, мм : 18,3

Технические данные из каталога производителя :

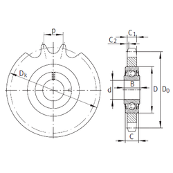
Внутренний диаметр (d) - 16,2 мм.

Наружный диаметр (D) - 40 мм.

Ширина (высота) (B) - 18,3 мм.

Число зубьев - 15

Размер (Do) - 91,6

Размер (Dk) - 99,2

Размер (C) - 12 мм.

Размер (C1) - 10,5 мм.

Размер (C2) - 1,5

Масса - 0,42 Кг

1 - DIN 8187

Шаг зубьев звездочки - 19,05

Количество дорожек качения - 1

Уплотнение - Есть

Цены указаны ознакомительные, для уточнения цены и наличия просим связаться с нами по телефону, или отправить заявку на почту - sales@specprompodshipnik.ru или по тел.: +7(499) 369-70-54

Возврат к списку