Подшипник KSR16-L0-08-10-18-09 (INA)

Подшипник KSR16-L0-08-10-18-09 (INA)

Технические характеристики

Обозначение : KSR16-L0-08-10-18-09

Размеры, мм : 16.2x40x18.3

Производитель : INA

Диаметр внутренний, мм : 16,2

Диаметр наружный, мм : 40

Высота, мм : 18,3

Технические данные из каталога производителя :

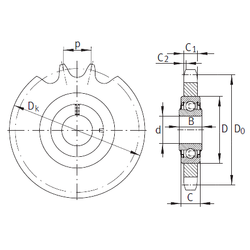
Внутренний диаметр (d) - 16,2 мм.

Наружный диаметр (D) - 40 мм.

Ширина (высота) (B) - 18,3 мм.

Число зубьев - 18

Размер (Do) - 73,1

Размер (Dk) - 78,6

Размер (C) - 12 мм.

Размер (C1) - 7 мм.

Размер (C2) - 1,1

Масса - 0,21 Кг

1 - DIN 8187

2 - DIN 8188

Шаг зубьев звездочки - 12,7

Количество дорожек качения - 1

Уплотнение - Есть

Цены указаны ознакомительные, для уточнения цены и наличия просим связаться с нами по телефону, или отправить заявку на почту - sales@specprompodshipnik.ru или по тел.: +7(499) 369-70-54

Возврат к списку