Подшипник KSR15-B0-10-10-14-08 (INA)

Подшипник KSR15-B0-10-10-14-08 (INA)

Технические характеристики

Обозначение : KSR15-B0-10-10-14-08

Производитель : INA

Диаметр внутренний, мм : 15

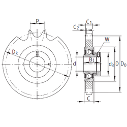
Технические данные из каталога производителя :

Внутренний диаметр (d) - 15 мм.

Число зубьев - 14

Размер (Do) - 71,3

Размер (Dk) - 78

Размер (d3) - 28 мм.

Размер (B1) - 28,3 мм.

Размер (C) - 12 мм.

Размер (C1) - 8,7 мм.

Размер (D) - 40 мм.

Размер (W) - 3

Размер (C2) - 1,3

Масса - 0,26 Кг

1 - DIN 8187

2 - DIN 8188

Шаг зубьев звездочки - 15,875

Количество дорожек качения - 1

Уплотнение - Есть

Цены указаны ознакомительные, для уточнения цены и наличия просим связаться с нами по телефону, или отправить заявку на почту - sales@specprompodshipnik.ru или по тел.: +7(499) 369-70-54

Возврат к списку