Подшипник KHPF205A (NACHI)

Подшипник KHPF205A (NACHI)

Технические характеристики

Обозначение : KHPF205A

Производитель : NACHI

Диаметр внутренний, мм : 25

Высота, мм : 31

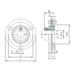
Технические данные из каталога производителя :

Внутренний диаметр (d) - 25 мм.

Размер (A) - 18 мм.

Размер (A1) - 4 мм.

Размер (B) - 31 мм.

Размер (H2) - 60 мм.

Размер (J) - 76 мм.

Размер (L) - 95

Размер (N) - 9 мм.

Размер (S) - 7.5 мм.

Болт (G) - M8

Масса - 0.39 Кг

Количество дорожек качения - 1

Уплотнение - Есть

Цены указаны ознакомительные, для уточнения цены и наличия просим связаться с нами по телефону, или отправить заявку на почту - sales@specprompodshipnik.ru или по тел.: +7(499) 369-70-54

Возврат к списку