Подшипник KHLFL207AJ (NACHI)

Подшипник KHLFL207AJ (NACHI)

Технические характеристики

Обозначение : KHLFL207AJ

Производитель : NACHI

Диаметр внутренний, мм : 35

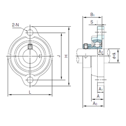
Технические данные из каталога производителя :

Внутренний диаметр (d) - 35 мм.

Размер (A0) - 42.4

Размер (A) - 24 мм.

Размер (A1) - 13 мм.

Размер (B1) - 38.9 мм.

Размер (H) - 122 мм.

Размер (J) - 100 мм.

Размер (L) - 89

Размер (N) - 12 мм.

Размер (S) - 9.5 мм.

Болт (G) - M10

Размер (A2) - 13

Масса - 0.92 Кг

Количество дорожек качения - 1

Уплотнение - Есть

Цены указаны ознакомительные, для уточнения цены и наличия просим связаться с нами по телефону, или отправить заявку на почту - sales@specprompodshipnik.ru или по тел.: +7(499) 369-70-54

Возврат к списку