Подшипник KHLFL203AJ (NACHI)

Подшипник KHLFL203AJ (NACHI)

Технические характеристики

Обозначение : KHLFL203AJ

Производитель : NACHI

Диаметр внутренний, мм : 17

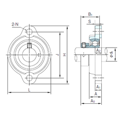
Технические данные из каталога производителя :

Внутренний диаметр (d) - 17 мм.

Размер (A0) - 31.6

Размер (A) - 18 мм.

Размер (A1) - 9.5 мм.

Размер (B1) - 28.6 мм.

Размер (H) - 81 мм.

Размер (J) - 63.5 мм.

Размер (L) - 56

Размер (N) - 7 мм.

Размер (S) - 6.5 мм.

Болт (G) - M 6

Размер (A2) - 9.5

Масса - 0.28 Кг

Количество дорожек качения - 1

Уплотнение - Есть

Цены указаны ознакомительные, для уточнения цены и наличия просим связаться с нами по телефону, или отправить заявку на почту - sales@specprompodshipnik.ru или по тел.: +7(499) 369-70-54

Возврат к списку