Подшипник GRA50 (INA)

Технические характеристики

Обозначение : GRA50

Производитель : INA

Диаметр внутренний, мм : 50

Технические данные из каталога производителя :

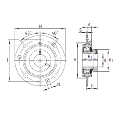
Внутренний диаметр (d) - 50 мм.

Размер (V) - 100

Размер (U) - 36,7

Количество крепежных отверстий - 4

Размер (d3) - 69 мм.

Размер (A) - 11,1 мм.

Размер (B1) - 43,8 мм.

Размер (H) - 155,5 мм.

Размер (J) - 127 мм.

Размер (N) - 13,5 мм.

Размер (S) - 4 мм.

Масса - 1,68 Кг

Количество дорожек качения - 1

Уплотнение - Есть

Цены указаны ознакомительные, для уточнения цены и наличия просим связаться с нами по телефону, или отправить заявку на почту - sales@specprompodshipnik.ru или по тел.: +7(499) 369-70-54

Возврат к списку