Подшипник GRA40 (INA)

Технические характеристики

Обозначение : GRA40

Производитель : INA

Диаметр внутренний, мм : 40

Технические данные из каталога производителя :

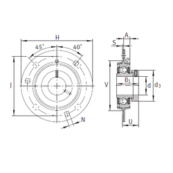
Внутренний диаметр (d) - 40 мм.

Размер (V) - 90

Размер (U) - 36,2

Количество крепежных отверстий - 4

Размер (d3) - 58 мм.

Размер (A) - 10,3 мм.

Размер (B1) - 43,8 мм.

Размер (H) - 147,5 мм.

Размер (J) - 119 мм.

Размер (N) - 13,5 мм.

Размер (S) - 3,5 мм.

Масса - 1,36 Кг

Количество дорожек качения - 1

Уплотнение - Есть

Цены указаны ознакомительные, для уточнения цены и наличия просим связаться с нами по телефону, или отправить заявку на почту - sales@specprompodshipnik.ru или по тел.: +7(499) 369-70-54

Возврат к списку