Подшипник GRA20 (INA)

Технические характеристики

Обозначение : GRA20

Производитель : INA

Диаметр внутренний, мм : 20

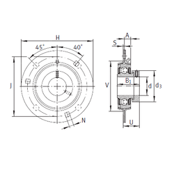
Технические данные из каталога производителя :

Внутренний диаметр (d) - 20 мм.

Размер (V) - 55

Размер (U) - 25,5

Количество крепежных отверстий - 3

Размер (d3) - 33 мм.

Размер (A) - 8 мм.

Размер (B1) - 31 мм.

Размер (H) - 90,5 мм.

Размер (J) - 71,5 мм.

Размер (N) - 8,7 мм.

Размер (S) - 2 мм.

Масса - 0,32 Кг

Количество дорожек качения - 1

Уплотнение - Есть

Цены указаны ознакомительные, для уточнения цены и наличия просим связаться с нами по телефону, или отправить заявку на почту - sales@specprompodshipnik.ru или по тел.: +7(499) 369-70-54

Возврат к списку