Подшипник GLCTE35 (INA)

Подшипник GLCTE35 (INA)

Технические характеристики

Обозначение : GLCTE35

Производитель : INA

Диаметр внутренний, мм : 35

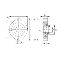
Технические данные из каталога производителя :

Внутренний диаметр (d) - 35 мм.

Размер (U) - 41,8

Резьба (Q) - Rp1/8

Размер (d3) - 51 мм.

Размер (A1) - 22 мм.

Размер (B1) - 39 мм.

Размер (H) - 126 мм.

Размер (J) - 100 мм.

Размер (L) - 94

Размер (N) - 11,5 мм.

Размер (A2) - 12,4

Масса - 1,02 Кг

Грузоподъемность динамическая (C) - 25,5 кН

Грузоподъемность статическая (C0) - 15,3 кН

Количество дорожек качения - 1

Уплотнение - Есть

Цены указаны ознакомительные, для уточнения цены и наличия просим связаться с нами по телефону, или отправить заявку на почту - sales@specprompodshipnik.ru или по тел.: +7(499) 369-70-54

Возврат к списку