Подшипник GLCTE20 (INA)

Подшипник GLCTE20 (INA)

Технические характеристики

Обозначение : GLCTE20

Производитель : INA

Диаметр внутренний, мм : 20

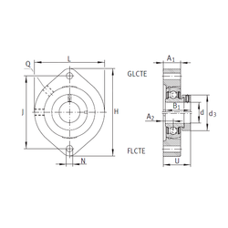
Технические данные из каталога производителя :

Внутренний диаметр (d) - 20 мм.

Размер (U) - 33

Резьба (Q) - M6

Размер (d3) - 33 мм.

Размер (A1) - 17 мм.

Размер (B1) - 31 мм.

Размер (H) - 90,5 мм.

Размер (J) - 71,4 мм.

Размер (L) - 66,5

Размер (N) - 9 мм.

Размер (A2) - 9,5

Масса - 0,39 Кг

Грузоподъемность динамическая (C) - 12,8 кН

Грузоподъемность статическая (C0) - 6,6 кН

Количество дорожек качения - 1

Уплотнение - Есть

Цены указаны ознакомительные, для уточнения цены и наличия просим связаться с нами по телефону, или отправить заявку на почту - sales@specprompodshipnik.ru или по тел.: +7(499) 369-70-54

Возврат к списку