Подшипник FYTJ 50 KF+HE 2310 (SKF)

Подшипник FYTJ 50 KF+HE 2310 (SKF)

Технические характеристики

Обозначение : FYTJ 50 KF+HE 2310

Производитель : SKF

Диаметр внутренний, мм : 44,45

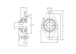
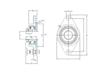
Технические данные из каталога производителя :

Внутренний диаметр (d) - 44,45 мм.

Размер (Dа) - 101,6

Размер (s1) - 30,5 мм.

Размер (A1) - 40 мм.

Размер (B1) - 55 мм.

Размер (G) - 16 мм.

Размер (H) - 195 мм.

Размер (J) - 157 мм.

Размер (L) - 115

Размер (N) - 19 мм.

Размер (T) - 52,5

Размер (A2) - 18

Масса - 2,55 Кг

Грузоподъемность динамическая (C) - 35,1 кН

Грузоподъемность статическая (C0) - 23,2 кН

Граничная нагрузка по усталости (Pu) - 0,98

Частота вращения предельная - 4 000 об/мин

Количество дорожек качения - 1

Уплотнение - Есть

Цены указаны ознакомительные, для уточнения цены и наличия просим связаться с нами по телефону, или отправить заявку на почту - sales@specprompodshipnik.ru или по тел.: +7(499) 369-70-54

Возврат к списку