Подшипник FYTJ 45 TF (SKF)

Подшипник FYTJ 45 TF (SKF)

Технические характеристики

Обозначение : FYTJ 45 TF

Производитель : SKF

Диаметр внутренний, мм : 45

Технические данные из каталога производителя :

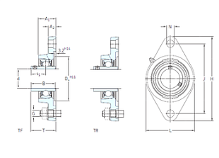
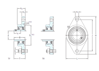
Внутренний диаметр (d) - 45 мм.

Размер (Dа) - 98,4

Размер (s1) - 30,2 мм.

Размер (A1) - 38 мм.

Размер (B) - 49,2 мм.

Размер (G) - 16 мм.

Размер (H) - 188 мм.

Размер (J) - 148 мм.

Размер (L) - 108

Размер (N) - 19 мм.

Размер (T) - 52,2

Размер (A2) - 18

Масса - 2,2 Кг

Грузоподъемность динамическая (C) - 33,2 кН

Грузоподъемность статическая (C0) - 21,6 кН

Граничная нагрузка по усталости (Pu) - 0,915

Частота вращения предельная - 4 300 об/мин

Количество дорожек качения - 1

Уплотнение - Есть

Цены указаны ознакомительные, для уточнения цены и наличия просим связаться с нами по телефону, или отправить заявку на почту - sales@specprompodshipnik.ru или по тел.: +7(499) 369-70-54

Возврат к списку