Подшипник FYTJ 35 KF+HA 2307 (SKF)

Подшипник FYTJ 35 KF+HA 2307 (SKF)

Технические характеристики

Обозначение : FYTJ 35 KF+HA 2307

Производитель : SKF

Диаметр внутренний, мм : 30,163

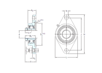
Технические данные из каталога производителя :

Внутренний диаметр (d) - 30,163 мм.

Размер (Dа) - 88,9

Размер (s1) - 24,3 мм.

Размер (A1) - 34 мм.

Размер (B1) - 43 мм.

Размер (G) - 14 мм.

Размер (H) - 161 мм.

Размер (J) - 130 мм.

Размер (L) - 96

Размер (N) - 16 мм.

Размер (T) - 43,3

Размер (A2) - 16

Масса - 1,3 Кг

Грузоподъемность динамическая (C) - 25,5 кН

Грузоподъемность статическая (C0) - 15,3 кН

Граничная нагрузка по усталости (Pu) - 0,655

Частота вращения предельная - 5 300 об/мин

Количество дорожек качения - 1

Уплотнение - Есть

Цены указаны ознакомительные, для уточнения цены и наличия просим связаться с нами по телефону, или отправить заявку на почту - sales@specprompodshipnik.ru или по тел.: +7(499) 369-70-54

Возврат к списку