Подшипник FYTJ 30 KF+HA 2306 (SKF)

Подшипник FYTJ 30 KF+HA 2306 (SKF)

Технические характеристики

Обозначение : FYTJ 30 KF+HA 2306

Производитель : SKF

Диаметр внутренний, мм : 23,813

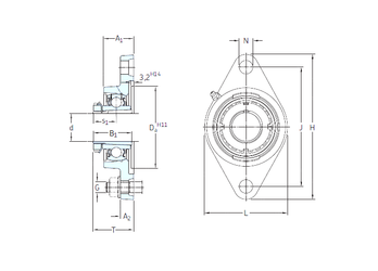
Технические данные из каталога производителя :

Внутренний диаметр (d) - 23,813 мм.

Размер (Dа) - 76,2

Размер (s1) - 22 мм.

Размер (A1) - 30,5 мм.

Размер (B1) - 38 мм.

Размер (G) - 14 мм.

Размер (H) - 148 мм.

Размер (J) - 117 мм.

Размер (L) - 80

Размер (N) - 16 мм.

Размер (T) - 40

Размер (A2) - 13,5

Масса - 0,83 Кг

Грузоподъемность динамическая (C) - 19,5 кН

Грузоподъемность статическая (C0) - 11,2 кН

Граничная нагрузка по усталости (Pu) - 0,475

Частота вращения предельная - 6 300 об/мин

Количество дорожек качения - 1

Уплотнение - Есть

Цены указаны ознакомительные, для уточнения цены и наличия просим связаться с нами по телефону, или отправить заявку на почту - sales@specprompodshipnik.ru или по тел.: +7(499) 369-70-54

Возврат к списку