Подшипник FYTB 50 TR (SKF)

Подшипник FYTB 50 TR (SKF)

Технические характеристики

Обозначение : FYTB 50 TR

Производитель : SKF

Диаметр внутренний, мм : 50

Технические данные из каталога производителя :

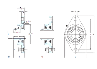
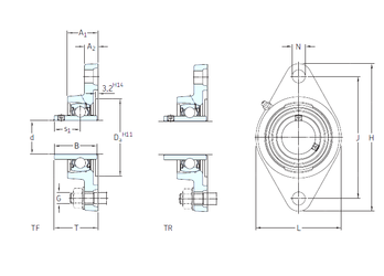
Внутренний диаметр (d) - 50 мм.

Размер (Dа) - 101,6

Размер (s1) - 32,6 мм.

Размер (A1) - 43 мм.

Размер (B) - 51,6 мм.

Размер (G) - 16 мм.

Размер (H) - 189 мм.

Размер (J) - 157 мм.

Размер (L) - 116

Размер (N) - 18 мм.

Размер (T) - 60,6

Размер (A2) - 15

Масса - 2,15 Кг

Грузоподъемность динамическая (C) - 35,1 кН

Грузоподъемность статическая (C0) - 23,2 кН

Граничная нагрузка по усталости (Pu) - 0,98

Частота вращения предельная - 2 200 об/мин

Количество дорожек качения - 1

Уплотнение - Есть

Цены указаны ознакомительные, для уточнения цены и наличия просим связаться с нами по телефону, или отправить заявку на почту - sales@specprompodshipnik.ru или по тел.: +7(499) 369-70-54

Возврат к списку