Подшипник FYTB 40 TR (SKF)

Подшипник FYTB 40 TR (SKF)

Технические характеристики

Обозначение : FYTB 40 TR

Производитель : SKF

Диаметр внутренний, мм : 40

Технические данные из каталога производителя :

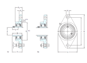
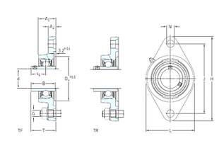
Внутренний диаметр (d) - 40 мм.

Размер (Dа) - 88,9

Размер (s1) - 30,2 мм.

Размер (A1) - 38,5 мм.

Размер (B) - 49,2 мм.

Размер (G) - 12 мм.

Размер (H) - 171,5 мм.

Размер (J) - 143,5 мм.

Размер (L) - 102

Размер (N) - 14 мм.

Размер (T) - 54,2

Размер (A2) - 14

Масса - 1,65 Кг

Грузоподъемность динамическая (C) - 30,7 кН

Грузоподъемность статическая (C0) - 19 кН

Граничная нагрузка по усталости (Pu) - 0,8

Частота вращения предельная - 2 800 об/мин

Количество дорожек качения - 1

Уплотнение - Есть

Цены указаны ознакомительные, для уточнения цены и наличия просим связаться с нами по телефону, или отправить заявку на почту - sales@specprompodshipnik.ru или по тел.: +7(499) 369-70-54

Возврат к списку