Подшипник FYTB 35 TR (SKF)

Подшипник FYTB 35 TR (SKF)

Технические характеристики

Обозначение : FYTB 35 TR

Производитель : SKF

Диаметр внутренний, мм : 35

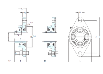
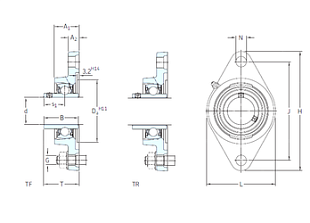
Технические данные из каталога производителя :

Внутренний диаметр (d) - 35 мм.

Размер (Dа) - 88,9

Размер (s1) - 25,4 мм.

Размер (A1) - 34,5 мм.

Размер (B) - 42,9 мм.

Размер (G) - 12 мм.

Размер (H) - 156 мм.

Размер (J) - 130 мм.

Размер (L) - 96

Размер (N) - 14 мм.

Размер (T) - 46,4

Размер (A2) - 13

Масса - 1,25 Кг

Грузоподъемность динамическая (C) - 25,5 кН

Грузоподъемность статическая (C0) - 15,3 кН

Граничная нагрузка по усталости (Pu) - 0,655

Частота вращения предельная - 3 200 об/мин

Количество дорожек качения - 1

Уплотнение - Есть

Цены указаны ознакомительные, для уточнения цены и наличия просим связаться с нами по телефону, или отправить заявку на почту - sales@specprompodshipnik.ru или по тел.: +7(499) 369-70-54

Возврат к списку