Подшипник FYTB 20 WF (SKF)

Подшипник FYTB 20 WF (SKF)

Технические характеристики

Обозначение : FYTB 20 WF

Производитель : SKF

Диаметр внутренний, мм : 20

Технические данные из каталога производителя :

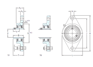
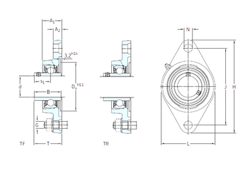
Внутренний диаметр (d) - 20 мм.

Размер (Dа) - 50,8

Размер (s1) - 26,6 мм.

Размер (A1) - 29,5 мм.

Размер (B1) - 43,7 мм.

Размер (G) - 10 мм.

Размер (H) - 112 мм.

Размер (J) - 90 мм.

Размер (L) - 60,5

Размер (N) - 11,5 мм.

Размер (T) - 45,6

Размер (A2) - 11

Масса - 0,55 Кг

Грузоподъемность динамическая (C) - 12,7 кН

Грузоподъемность статическая (C0) - 6,55 кН

Граничная нагрузка по усталости (Pu) - 0,28

Частота вращения предельная - 8 500 об/мин

Количество дорожек качения - 1

Уплотнение - Есть

Цены указаны ознакомительные, для уточнения цены и наличия просим связаться с нами по телефону, или отправить заявку на почту - sales@specprompodshipnik.ru или по тел.: +7(499) 369-70-54

Возврат к списку