Подшипник FYT 7/8 TF (SKF)

Подшипник FYT 7/8 TF (SKF)

Технические характеристики

Обозначение : FYT 7/8 TF

Производитель : SKF

Диаметр внутренний, мм : 22,225

Высота, мм : 34,1

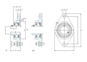
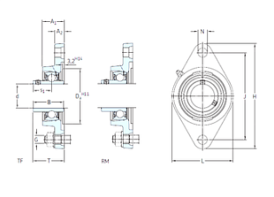
Технические данные из каталога производителя :

Внутренний диаметр (d) - 22,225 мм.

Размер (s1) - 19,8 мм.

Размер (A1) - 30 мм.

Размер (B) - 34,1 мм.

Размер (G) - 11 мм.

Размер (H) - 124 мм.

Размер (J) - 98,8 мм.

Размер (L) - 70

Размер (N) - 12,7 мм.

Размер (T) - 38,8

Размер (A2) - 12

Масса - 0,66 Кг

Грузоподъемность динамическая (C) - 14 кН

Грузоподъемность статическая (C0) - 7,8 кН

Граничная нагрузка по усталости (Pu) - 0,335

Частота вращения предельная - 7 000 об/мин

Количество дорожек качения - 1

Уплотнение - Есть

Цены указаны ознакомительные, для уточнения цены и наличия просим связаться с нами по телефону, или отправить заявку на почту - sales@specprompodshipnik.ru или по тел.: +7(499) 369-70-54

Возврат к списку