Подшипник FYT 7/8 FM (SKF)

Подшипник FYT 7/8 FM (SKF)

Технические характеристики

Обозначение : FYT 7/8 FM

Производитель : SKF

Диаметр внутренний, мм : 22,225

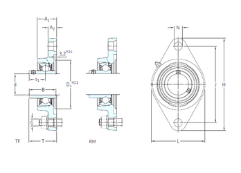
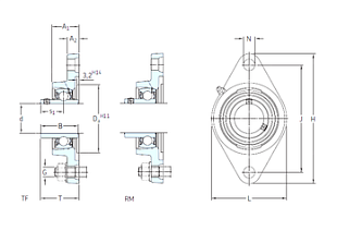
Технические данные из каталога производителя :

Внутренний диаметр (d) - 22,225 мм.

Размер (Dа) - 124

Размер (s1) - 42,5 мм.

Размер (A1) - 30 мм.

Размер (B1) - 31 мм.

Размер (G) - 23,5 мм.

Размер (H) - 98,8 мм.

Размер (J) - 70 мм.

Размер (L) - 12,7

Размер (N) - 10 мм.

Размер (T) - 14

Размер (A2) - 12

Масса - 0,67 Кг

Грузоподъемность динамическая (C) - 7,8 кН

Грузоподъемность статическая (C0) - 0,335 кН

Частота вращения предельная - 7 000 об/мин

Количество дорожек качения - 1

Уплотнение - Есть

Цены указаны ознакомительные, для уточнения цены и наличия просим связаться с нами по телефону, или отправить заявку на почту - sales@specprompodshipnik.ru или по тел.: +7(499) 369-70-54

Возврат к списку