Подшипник FYT 3/4 FM (SKF)

Подшипник FYT 3/4 FM (SKF)

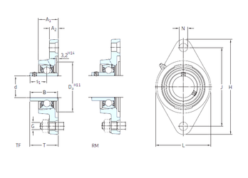
Технические характеристики

Обозначение : FYT 3/4 FM

Производитель : SKF

Диаметр внутренний, мм : 19.05

Технические данные из каталога производителя :

Внутренний диаметр (d) - 19.05 мм.

Размер (Dа) - 112

Размер (s1) - 37,8 мм.

Размер (A1) - 24,6 мм.

Размер (B1) - 31 мм.

Размер (G) - 23,5 мм.

Размер (H) - 89,7 мм.

Размер (J) - 60,3 мм.

Размер (L) - 11,1

Размер (N) - 10 мм.

Размер (T) - 12,7

Размер (A2) - 11,1

Масса - 0,53 Кг

Грузоподъемность динамическая (C) - 6,55 кН

Грузоподъемность статическая (C0) - 0,28 кН

Частота вращения предельная - 8 500 об/мин

Количество дорожек качения - 1

Уплотнение - Есть

Цены указаны ознакомительные, для уточнения цены и наличия просим связаться с нами по телефону, или отправить заявку на почту - sales@specprompodshipnik.ru или по тел.: +7(499) 369-70-54

Возврат к списку