Подшипник FYT 2.3/16 TF (SKF)

Подшипник FYT 2.3/16 TF (SKF)

Технические характеристики

Обозначение : FYT 2.3/16 TF

Производитель : SKF

Диаметр внутренний, мм : 55,563

Высота, мм : 55,6

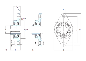
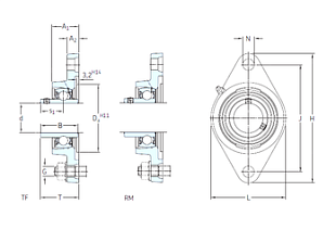
Технические данные из каталога производителя :

Внутренний диаметр (d) - 55,563 мм.

Размер (s1) - 33,4 мм.

Размер (A1) - 47,6 мм.

Размер (B) - 55,6 мм.

Размер (G) - 16 мм.

Размер (H) - 216 мм.

Размер (J) - 184,2 мм.

Размер (L) - 127

Размер (N) - 19 мм.

Размер (T) - 62,8

Размер (A2) - 20,6

Масса - 3,25 Кг

Грузоподъемность динамическая (C) - 43,6 кН

Грузоподъемность статическая (C0) - 29 кН

Граничная нагрузка по усталости (Pu) - 1,25

Частота вращения предельная - 3 600 об/мин

Количество дорожек качения - 1

Уплотнение - Есть

Цены указаны ознакомительные, для уточнения цены и наличия просим связаться с нами по телефону, или отправить заявку на почту - sales@specprompodshipnik.ru или по тел.: +7(499) 369-70-54

Возврат к списку