Подшипник FYT 1.3/8 FM (SKF)

Подшипник FYT 1.3/8 FM (SKF)

Технические характеристики

Обозначение : FYT 1.3/8 FM

Производитель : SKF

Диаметр внутренний, мм : 34,925

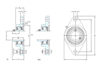
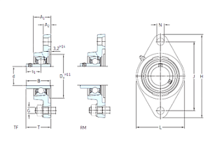
Технические данные из каталога производителя :

Внутренний диаметр (d) - 34,925 мм.

Размер (Dа) - 156

Размер (s1) - 50,4 мм.

Размер (A1) - 34,5 мм.

Размер (B1) - 38,9 мм.

Размер (G) - 29,4 мм.

Размер (H) - 130,2 мм.

Размер (J) - 96 мм.

Размер (L) - 14,3

Размер (N) - 12 мм.

Размер (T) - 25,5

Размер (A2) - 13

Масса - 1,35 Кг

Грузоподъемность динамическая (C) - 15,3 кН

Грузоподъемность статическая (C0) - 0,655 кН

Частота вращения предельная - 5 300 об/мин

Количество дорожек качения - 1

Уплотнение - Есть

Цены указаны ознакомительные, для уточнения цены и наличия просим связаться с нами по телефону, или отправить заявку на почту - sales@specprompodshipnik.ru или по тел.: +7(499) 369-70-54

Возврат к списку