Подшипник FYT 1/2 FM (SKF)

Подшипник FYT 1/2 FM (SKF)

Технические характеристики

Обозначение : FYT 1/2 FM

Производитель : SKF

Диаметр внутренний, мм : 12,7

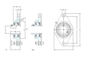
Технические данные из каталога производителя :

Внутренний диаметр (d) - 12,7 мм.

Размер (Dа) - 98,5

Размер (s1) - 36,8 мм.

Размер (A1) - 23,4 мм.

Размер (B1) - 26,6 мм.

Размер (G) - 22,1 мм.

Размер (H) - 76,2 мм.

Размер (J) - 54 мм.

Размер (L) - 11,1

Размер (N) - 10 мм.

Размер (T) - 9,56

Размер (A2) - 11,5

Масса - 0,35 Кг

Грузоподъемность динамическая (C) - 4,75 кН

Грузоподъемность статическая (C0) - 0,2 кН

Частота вращения предельная - 9 500 об/мин

Количество дорожек качения - 1

Уплотнение - Есть

Цены указаны ознакомительные, для уточнения цены и наличия просим связаться с нами по телефону, или отправить заявку на почту - sales@specprompodshipnik.ru или по тел.: +7(499) 369-70-54

Возврат к списку