Подшипник FYT 1.15/16 RM (SKF)

Подшипник FYT 1.15/16 RM (SKF)

Технические характеристики

Обозначение : FYT 1.15/16 RM

Производитель : SKF

Диаметр внутренний, мм : 49,213

Высота, мм : 43

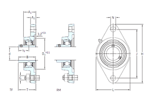
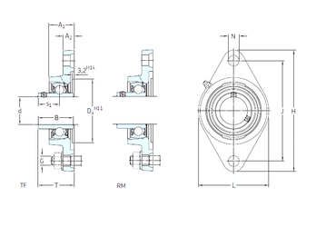
Технические данные из каталога производителя :

Внутренний диаметр (d) - 49,213 мм.

Размер (s1) - 32 мм.

Размер (A1) - 43 мм.

Размер (B) - 43 мм.

Размер (G) - 14 мм.

Размер (H) - 189 мм.

Размер (J) - 157,2 мм.

Размер (L) - 116

Размер (N) - 15,9 мм.

Размер (T) - 60,1

Размер (A2) - 15

Масса - 2,1 Кг

Грузоподъемность динамическая (C) - 35,1 кН

Грузоподъемность статическая (C0) - 23,2 кН

Граничная нагрузка по усталости (Pu) - 0,98

Частота вращения предельная - 4 000 об/мин

Количество дорожек качения - 1

Уплотнение - Есть

Цены указаны ознакомительные, для уточнения цены и наличия просим связаться с нами по телефону, или отправить заявку на почту - sales@specprompodshipnik.ru или по тел.: +7(499) 369-70-54

Возврат к списку