Подшипник FYT 1.1/8 TF (SKF)

Подшипник FYT 1.1/8 TF (SKF)

Технические характеристики

Обозначение : FYT 1.1/8 TF

Производитель : SKF

Диаметр внутренний, мм : 28,575

Высота, мм : 38,1

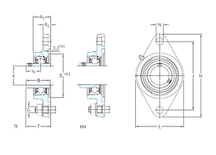
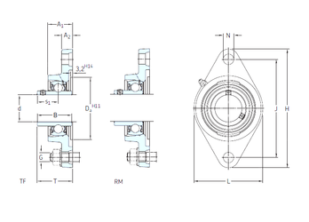
Технические данные из каталога производителя :

Внутренний диаметр (d) - 28,575 мм.

Размер (s1) - 22,2 мм.

Размер (A1) - 32,5 мм.

Размер (B) - 38,1 мм.

Размер (G) - 10 мм.

Размер (H) - 141,5 мм.

Размер (J) - 116,9 мм.

Размер (L) - 83

Размер (N) - 12,7 мм.

Размер (T) - 42,2

Размер (A2) - 13

Масса - 0,95 Кг

Грузоподъемность динамическая (C) - 19,5 кН

Грузоподъемность статическая (C0) - 11,2 кН

Граничная нагрузка по усталости (Pu) - 0,475

Частота вращения предельная - 6 300 об/мин

Количество дорожек качения - 1

Уплотнение - Есть

Цены указаны ознакомительные, для уточнения цены и наличия просим связаться с нами по телефону, или отправить заявку на почту - sales@specprompodshipnik.ru или по тел.: +7(499) 369-70-54

Возврат к списку