Подшипник FYJ 60 TF (SKF)

Подшипник FYJ 60 TF (SKF)

Технические характеристики

Обозначение : FYJ 60 TF

Производитель : SKF

Диаметр внутренний, мм : 60

Технические данные из каталога производителя :

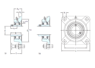
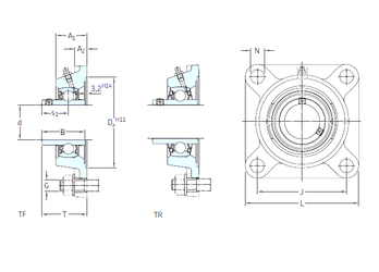
Внутренний диаметр (d) - 60 мм.

Размер (Dа) - 161,9

Размер (s1) - 39,7 мм.

Размер (A1) - 48 мм.

Размер (B) - 65,1 мм.

Размер (G) - 16 мм.

Размер (J) - 143 мм.

Размер (L) - 175

Размер (N) - 19 мм.

Размер (T) - 68,7

Размер (A2) - 20

Масса - 4,5 Кг

Грузоподъемность динамическая (C) - 52,7 кН

Грузоподъемность статическая (C0) - 36 кН

Граничная нагрузка по усталости (Pu) - 1,53

Частота вращения предельная - 3 400 об/мин

Количество дорожек качения - 1

Уплотнение - Есть

Цены указаны ознакомительные, для уточнения цены и наличия просим связаться с нами по телефону, или отправить заявку на почту - sales@specprompodshipnik.ru или по тел.: +7(499) 369-70-54

Возврат к списку