Подшипник FYJ 100 TF (SKF)

Подшипник FYJ 100 TF (SKF)

Технические характеристики

Обозначение : FYJ 100 TF

Производитель : SKF

Диаметр внутренний, мм : 100

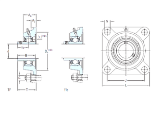
Технические данные из каталога производителя :

Внутренний диаметр (d) - 100 мм.

Размер (Dа) - 215,9

Размер (s1) - 63,4 мм.

Размер (A1) - 70 мм.

Размер (B) - 98,4 мм.

Размер (G) - 24 мм.

Размер (J) - 210 мм.

Размер (L) - 265

Размер (N) - 27 мм.

Размер (T) - 107,5

Размер (A2) - 25

Масса - 15,2 Кг

Грузоподъемность динамическая (C) - 124 кН

Грузоподъемность статическая (C0) - 93 кН

Граничная нагрузка по усталости (Pu) - 3,35

Частота вращения предельная - 1 900 об/мин

Количество дорожек качения - 1

Уплотнение - Есть

Цены указаны ознакомительные, для уточнения цены и наличия просим связаться с нами по телефону, или отправить заявку на почту - sales@specprompodshipnik.ru или по тел.: +7(499) 369-70-54

Возврат к списку