Подшипник FY 30 FM (SKF)

Подшипник FY 30 FM (SKF)

Технические характеристики

Обозначение : FY 30 FM

Производитель : SKF

Диаметр внутренний, мм : 30

Технические данные из каталога производителя :

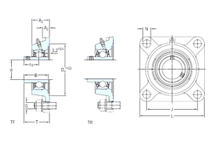
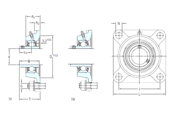
Внутренний диаметр (d) - 30 мм.

Размер (Dа) - 93,7

Размер (s1) - 26,7 мм.

Размер (A1) - 32,5 мм.

Размер (B1) - 35,7 мм.

Размер (G) - 10 мм.

Размер (J) - 82,5 мм.

Размер (L) - 108

Размер (N) - 11,5 мм.

Размер (T) - 46,7

Размер (A2) - 13

Масса - 1,1 Кг

Грузоподъемность динамическая (C) - 19,5 кН

Грузоподъемность статическая (C0) - 11,2 кН

Граничная нагрузка по усталости (Pu) - 0,475

Частота вращения предельная - 6 300 об/мин

Количество дорожек качения - 1

Уплотнение - Есть

Цены указаны ознакомительные, для уточнения цены и наличия просим связаться с нами по телефону, или отправить заявку на почту - sales@specprompodshipnik.ru или по тел.: +7(499) 369-70-54

Возврат к списку