Подшипник FY 1. FM (SKF)

Подшипник FY 1. FM (SKF)

Технические характеристики

Обозначение : FY 1. FM

Производитель : SKF

Диаметр внутренний, мм : 25,4

Технические данные из каталога производителя :

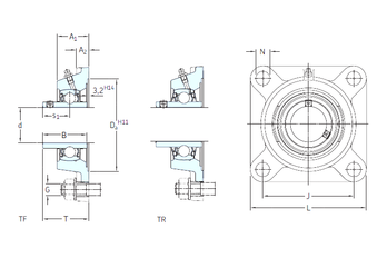
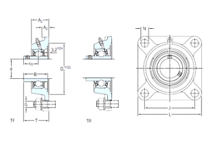
Внутренний диаметр (d) - 25,4 мм.

Размер (s1) - 23,5 мм.

Размер (A1) - 30 мм.

Размер (B1) - 31 мм.

Размер (G) - 10 мм.

Размер (J) - 70 мм.

Размер (L) - 95

Размер (T) - 42,5

Размер (A2) - 12

Масса - 0,78 Кг

Грузоподъемность динамическая (C) - 14 кН

Грузоподъемность статическая (C0) - 7,8 кН

Граничная нагрузка по усталости (Pu) - 0,335

Частота вращения предельная - 7 000 об/мин

Количество дорожек качения - 1

Уплотнение - Есть

Цены указаны ознакомительные, для уточнения цены и наличия просим связаться с нами по телефону, или отправить заявку на почту - sales@specprompodshipnik.ru или по тел.: +7(499) 369-70-54

Возврат к списку