Подшипник FY 1.1/2 TF (SKF)

Подшипник FY 1.1/2 TF (SKF)

Технические характеристики

Обозначение : FY 1.1/2 TF

Производитель : SKF

Диаметр внутренний, мм : 38,1

Высота, мм : 49,2

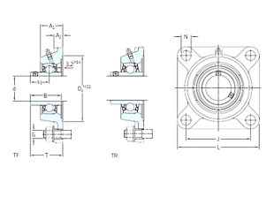
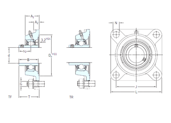
Технические данные из каталога производителя :

Внутренний диаметр (d) - 38,1 мм.

Размер (s1) - 30,2 мм.

Размер (A1) - 38,5 мм.

Размер (B) - 49,2 мм.

Размер (G) - 12 мм.

Размер (J) - 101,5 мм.

Размер (L) - 130

Размер (T) - 54,2

Размер (A2) - 14

Масса - 1,9 Кг

Грузоподъемность динамическая (C) - 30,7 кН

Грузоподъемность статическая (C0) - 19 кН

Граничная нагрузка по усталости (Pu) - 0,8

Частота вращения предельная - 4 800 об/мин

Количество дорожек качения - 1

Уплотнение - Есть

Цены указаны ознакомительные, для уточнения цены и наличия просим связаться с нами по телефону, или отправить заявку на почту - sales@specprompodshipnik.ru или по тел.: +7(499) 369-70-54

Возврат к списку